Process Cases 2 - A simpler case

latest update 2024-05-25  

Introduction

In the topic Process Cases a complex example has been given, that may have turned off some readers.
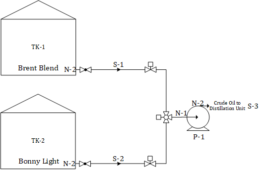
In this topic a somewhat simpler, though equally representative example is given: A crude loading pump used for two different crude oil types:
Brent Blend and Bonny light.

Detailed discussion

This can be illustrated with a diagram:

Let's start with defining the Anchors and then the temporal parts of them.

First the Anchors: Then the temporal parts (see NOTE 2 below): NOTES
  1. The design information is attributed to the Classes, and the topological information and partOf information to the Individuals (where applicable) ;
  2. Because the templates contain implicit (class of) temporal parts, the above explicit (class of) temporal parts may, in most instances, be redundant. They are shown then for completeness sake ;
  3. Keep in mind that the line-ups between the storage tanks and the pump, with a series of on-off valves, are left out here.
Keep in mind that the line-ups between the storage tanks and the pump, with a series of on-off valves, are left out here.

Using the Process Design Model

The Anchors and temporal parts have been inserted in the model:

Stream S-3, ClassOfStream CO-S-3, (Stream S-4, ClassOfStream CO-S-4 *), Activity A-1, ClassOfActivity CO-A-1, FunctionalObject P-1 and ClassOfFunctionalObject CO-P-1 are involved in both diagrams
*) are not shown because diagram gets too complex.

Properties

An exchange with the new GPT-4o version of ChatGPT resulted in the following list of data for the Heat & Material Balance:

These are to be attributed as follows:
API Gravity CO-S-1-Brent CO-S-2-Bonny
Inlet Temperature CO-S-1-Brent CO-S-2-Bonny
Density CO-S-1-Brent CO-S-2-Bonny
Specific Heat Capacity CO-S-1-Brent CO-S-2-Bonny
Mass Flow Rate CO-S-3-Brent CO-S-3-Bonny
Volumetric Flow Rate CO-S-3-Brent CO-S-3-Bonny
Outlet Temperature CO-S-3-Brent CO-S-3-Bonny
Viscosity at 60°C CO-S-3-Brent CO-S-3-Bonny
External Heat Required CO-S-4-Brent CO-S-4-Bonny
Hydraulic Power Required CO-S-4-Brent CO-S-4-Bonny
Total Power Input CO-S-4-Brent CO-S-4-Bonny
Pump Efficiency CO-P-1-Brent CO-P-1-Bonny
Heat Generated by Pump CO-P-1-Brent CO-P-1-Bonny
For each of these properties a template instance is listed below.

The Coding

@prefix ex: 
 
   
      API Gravity
      CO-S-1-Brent
      38.3
    
    
      Inlet Temperature
      CO-S-1-Brent
      25°C
    
    
      Density
      CO-S-1-Brent
      0.834 g/cm³
    
    
      Specific Heat Capacity
      CO-S-1-Brent
      2.0 kJ/kg°C
    
    
      Mass Flow Rate
      CO-S-3-Brent
      100,000 kg/hr
    
    
      Volumetric Flow Rate
      CO-S-3-Brent
      107.1 m³/hr
    
    
      Outlet Temperature
      CO-S-3-Brent
      60°C
    
    
      Viscosity at 60°C
      CO-S-3-Brent
      200 cP
    
    
      External Heat Required
      CO-S-4-Brent
      7,000,000 kJ/hr
    
    
      Hydraulic Power Required
      CO-S-4-Brent
      22.65 kW
    
    
      Total Power Input
      CO-S-4-Brent
      37.75 kW
    
    
      Pump Efficiency
      CO-P-1-Brent
      60%
    
    
      Heat Generated by Pump
      CO-P-1-Brent
      15.1 kW
    
  


ex:37c78ef2-a4ab-4aa8-8770-017246667cad
	rdf:type tpl:ClassOfIndividualHasPropertyWithValue ;
	tpl:hasPossessorType ex:e77b0104-5d1a-4bc9-bd68-a0c9a26ba9df ; # CO-S-1-Brent
	tpl:hasPropertyType rdl:RDS1355105431 ; # API GRAVITY
	tpl:valPropertyValue "38.3"^^xsd:decimal ;
	tpl:hasScale rdl:RDS1059740901 ; # DIMENSIONLESS SCALE
	meta:hasLifecycleActivity rdl:RDS9648872 ; # PROCESS DESIGN
	meta:valEffectiveDate "2024-05-21T00:00:00Z"^^xsd:dateTime .

ex:c9fea16d-8aca-433e-a9b7-b53669db3ec3
	rdf:type tpl:PropertyOfClassOfStreamAtClassOfLocation ;
	tpl:hasStreamType ex:e77b0104-5d1a-4bc9-bd68-a0c9a26ba9df ; # CO-S-1-Brent
	tpl:hasLocatorType ex:79bb1638-ecfe-43fb-a096-d4fbbb6f8635  ; # CO-P-1-N-1
	tpl:hasPropertyType rdl:RDS355859 ; # TEMPERATURE (of Stream at pump inlet)
	tpl:valPropertyValue "25"^^xsd:decimal ;
	tpl:hasScale rdl:RDS1322684 ; # DEGREE CELSIUS
	meta:hasLifecycleActivity rdl:RDS9648872 ; # PROCESS DESIGN
	meta:valEffectiveDate "2024-05-21T00:00:00Z"^^xsd:dateTime .

ex:2d213112-f758-40a2-9222-22be5770e396
	rdf:type tpl:ClassOfIndividualHasPropertyWithValue ;
	tpl:hasPossessorType ex:e77b0104-5d1a-4bc9-bd68-a0c9a26ba9df ; # CO-S-1-Brent
	tpl:hasPropertyType rdl:RDS369404 ; # DENSITY AT FLOW CONDITIONS
	tpl:valPropertyValue "0.834"^^xsd:decimal ;
	tpl:hasScale rdl:RDS1325924 ; # GRAM PER CENTIMETRE CUBED
	meta:hasLifecycleActivity rdl:RDS9648872 ; # PROCESS DESIGN
	meta:valEffectiveDate "2024-05-21T00:00:00Z"^^xsd:dateTime .

ex:3f519bf1-7fe0-4d23-8c34-107f90017e49
	rdf:type tpl:ClassOfIndividualHasPropertyWithValue ;
	tpl:hasPossessorType ex:e77b0104-5d1a-4bc9-bd68-a0c9a26ba9df ; # CO-S-1-Brent
	tpl:hasPropertyType rdl:RDS382229 ; # SPECIFIC HEAT CAPACITY
	tpl:valPropertyValue "2.0"^^xsd:decimal ;
	tpl:hasScale rdl:RDS14153033  ; # KILOJOULE PER KILOGRAM CELSIUS
	meta:hasLifecycleActivity rdl:RDS9648872 ; # PROCESS DESIGN
	meta:valEffectiveDate "2024-05-21T00:00:00Z"^^xsd:dateTime .

ex:e66e3020-79f5-43b2-bcec-e5731638c4a5
	rdf:type tpl:ClassOfIndividualHasPropertyWithValue ;
	tpl:hasPossessorType ex:7d9fd3e3-29c3-46c8-8eb1-1df6768c035e ; # CO-S-3-Brent
	tpl:hasPropertyType rdl:RDS380789 ; # MASS FLOW RATE
	tpl:valPropertyValue "100,000"^^xsd:decimal ;
	tpl:hasScale rdl:RDS1329344 ; # KILOGRAM PER HOUR
	meta:hasLifecycleActivity rdl:RDS9648872 ; # PROCESS DESIGN
	meta:valEffectiveDate "2024-05-21T00:00:00Z"^^xsd:dateTime .

ex:a5fb3af1-fb7f-49f1-9dc3-e802bd3e2b42
	rdf:type tpl:ClassOfIndividualHasIndirectPropertyWithValue ;
	tpl:hasPossessorType ex:7d9fd3e3-29c3-46c8-8eb1-1df6768c035e ; # CO-S-3-Brent
	tpl:hasIndirectPropertyType rdl:RDS8276279 ; # NORMAL VOLUMETRIC FLOW RATE
	tpl:valPropertyValue "107.1"^^xsd:decimal ;
	tpl:hasScale rdl:RDS1321064 ; # METRE CUBED PER HOUR
	meta:hasLifecycleActivity rdl:RDS9648872 ; # PROCESS DESIGN
	meta:valEffectiveDate "2024-05-21T00:00:00Z"^^xsd:dateTime .

ex:3886d317-2c3c-4cce-82ce-3f231611a00b
	rdf:type tpl:PropertyOfClassOfStreamAtClassOfLocation ;
	tpl:hasStreamType ex:7d9fd3e3-29c3-46c8-8eb1-1df6768c035e ; # CO-S-3-Brent
	tpl:hasLocatorType ex:c1a8a520-4350-40fd-a4c3-7b53491cafec ; # CO-P-1-N-2
	tpl:hasPropertyType rdl:RDS355859 ; # TEMPERATURE (of Stream at pump outlet)
	tpl:valPropertyValue "60"^^xsd:decimal ;
	tpl:hasScale rdl:RDS1322684 ; # DEGREE CELSIUS
	meta:hasLifecycleActivity rdl:RDS9648872 ; # PROCESS DESIGN
	meta:valEffectiveDate "2024-05-21T00:00:00Z"^^xsd:dateTime .

ex:adc442c7-f83a-4b37-9621-f6db33e6e680
	rdf:type tpl:ClassOfIndividualHasPropertyWithValue ;
	tpl:hasPossessorType ex:7d9fd3e3-29c3-46c8-8eb1-1df6768c035e ; # CO-S-3-Brent
	tpl:hasPropertyType rdl:RDS222xxxx ; # VISCOSITY AT 60C
	tpl:valPropertyValue "200"^^xsd:decimal ;
	tpl:hasScale rdl:RDS1318274 ; # CENTIPOISE
	meta:hasLifecycleActivity rdl:RDS9648872 ; # PROCESS DESIGN
	meta:valEffectiveDate "2024-05-21T00:00:00Z"^^xsd:dateTime .

ex:82116f6f-0768-4220-b222-5a88d6b836c0
	rdf:type tpl:ClassOfIndividualHasIndirectPropertyWithValue ;
	tpl:hasPossessorType ex:e63f7a18-3ac5-433f-b79e-90653ccd2b31 ; # CO-S-4-Brent
	tpl:hasIndirectPropertyType rdl:RDS362789 ; # HEAT RATE
	tpl:valPropertyValue "7,000,000"^^xsd:decimal ;
	tpl:hasScale rdl:RDS4316756697 ; # KILOJOULE PER HOUR
	meta:hasLifecycleActivity rdl:RDS9648872 ; # PROCESS DESIGN
	meta:valEffectiveDate "2024-05-21T00:00:00Z"^^xsd:dateTime .

ex:50f1d264-e273-4a2f-81c9-d4c81abed370
	rdf:type tpl:ClassOfIndividualHasIndirectPropertyWithValue ;
	tpl:hasPossessorType ex:e63f7a18-3ac5-433f-b79e-90653ccd2b31 ; # CO-S-4-Brent
	tpl:hasIndirectPropertyType rdl:RDS413189 ; # RATED HYDRAULIC POWER
	tpl:valPropertyValue "22.65"^^xsd:decimal ;
	tpl:hasScale rdl:RDS1330919 ; # KILOWATT
	meta:hasLifecycleActivity rdl:RDS9648872 ; # PROCESS DESIGN
	meta:valEffectiveDate "2024-05-21T00:00:00Z"^^xsd:dateTime .

ex:fe08b0e6-7e4b-40b4-8345-6bcd546d6a55
	rdf:type tpl:ClassOfIndividualHasPropertyWithValue ;
	tpl:hasPossessorType ex:e63f7a18-3ac5-433f-b79e-90653ccd2b31 ; # CO-S-4-Brent 
	tpl:hasPropertyType rdl:RDS7924042 ; # BRAKE HORSEPOWER
	tpl:valPropertyValue "37.75"^^xsd:decimal ;
	tpl:hasScale rdl:RDS1330919 ; # KILOWATT
	meta:hasLifecycleActivity rdl:RDS9648872 ; # PROCESS DESIGN
	meta:valEffectiveDate "2024-05-21T00:00:00Z"^^xsd:dateTime .

ex:28cba519-76ce-4faf-ba98-65ca188a6780
	rdf:type tpl:ClassOfIndividualHasPropertyWithValue ;
	tpl:hasPossessorType ex:2cf64dab-4116-49de-b4b8-30eb2e226a07 ; # CO-P-1-Brent
	tpl:hasPropertyType rdl:RDS5963820 ; # RATED EFFICIENCY AT 1/1 LOAD
	tpl:valPropertyValue "60"^^xsd:decimal ;
	tpl:hasScale rdl:RDS1317959 ; # PERCENT
	meta:hasLifecycleActivity rdl:RDS9648872 ; # PROCESS DESIGN
	meta:valEffectiveDate "2024-05-21T00:00:00Z"^^xsd:dateTime .

ex:e021fe31-62fb-4cd4-a6e0-92475a03f3be
	rdf:type tpl:ClassOfIndividualHasPropertyWithValue ;
	tpl:hasPossessorType ex:2cf64dab-4116-49de-b4b8-30eb2e226a07 ; # CO-P-1-Brent
	tpl:hasPropertyType rdl:RDS403964  ; # GENERATED HEAT
	tpl:valPropertyValue "15.1"^^xsd:decimal ;
	tpl:hasScale rdl:RDS1330919 ; # KILOWATT
	meta:hasLifecycleActivity rdl:RDS9648872 ; # PROCESS DESIGN
	meta:valEffectiveDate "2024-05-21T00:00:00Z"^^xsd:dateTime .

#############################################################################
#############################################################################
##  CASE-2 PUMPING OF BONNY LIGHT CRUDE OIL FROM TANK T-2 TO DISTILLATION UNIT
#############################################################################
#############################################################################

#######################################################################################
## TEMPLATES FOR STREAMS AND fUNCTIONAL OBJECTS PARTICIPATING IN (CO-)A-1-Bonny (CASE-2)
#######################################################################################

####
#### FIRST THE CLASSES (the Individuals must be typed with their declared Class)
#### (Port classes are excluded, see NOTE 2 above)
####

ex:c1b2a12e-f346-4751-b35a-77a1d337c8c5
	rdf:type  dm:ClassOfActivity ;
	tpl:coTemporalPartOf ex:37c3da03-3856-49d1-bb13-9ff71d94d84f ; # CO-A-1
	rdfs:subClassOf ex:a78372aa-7481-45bb-833e-a8a54a15cb7c ; # CASE-2
	rdfs:label  "CO-A-1-Bonny" ;
	meta:hasLifecycleActivity rdl:RDS9648872 ; # PROCESS DESIGN
	meta:valEffectiveDate "2024-05-21T00:00:00Z"^^xsd:dateTime .

ex:d721afbd-1d34-4d98-ba15-66841c19f80f
	rdf:type  dm:ClassOfStream ;
	tpl:coTemporalPartOf ex:29b4329a-3340-4139-893e-247bccf8fe95 ; # CO-S-2
	rdfs:label  "CO-S-2-Bonny" ;
	meta:hasLifecycleActivity rdl:RDS9648872 ; # PROCESS DESIGN
	meta:valEffectiveDate "2024-05-21T00:00:00Z"^^xsd:dateTime .

ex:74879066-c963-4164-b14e-88a332f0c814
	rdf:type  dm:ClassOfStream ;
	tpl:coTemporalPartOf ex:ba567106-c046-4a64-b5be-6bcc3a27ee03 ; # CO-S-3
	rdfs:label  "CO-S-3-Bonny" ;
	meta:hasLifecycleActivity rdl:RDS9648872 ; # PROCESS DESIGN
	meta:valEffectiveDate "2024-05-21T00:00:00Z"^^xsd:dateTime .

ex:709c3f5a-c4cc-4393-b4ae-6c8b522c129f
	rdf:type  dm:ClassOfStream ;
	tpl:coTemporalPartOf ex:fc9f59ee-3e03-48b9-9907-361d44035671 ; # CO-S-4
	rdfs:label  "CO-S-4-Bonny" ;
	meta:hasLifecycleActivity rdl:RDS9648872 ; # PROCESS DESIGN
	meta:valEffectiveDate "2024-05-21T00:00:00Z"^^xsd:dateTime .

ex:ae7c8dcb-8336-4f1f-be4b-3277efb014cf
	rdf:type  dm:ClassOfFunctionalObject ;
	tpl:coTemporalPartOf ex:1bc90294-4626-4d9c-aea4-988347471422 ; # CO-P-1
	rdfs:label  "CO-P-1-Bonny" ;
	meta:hasLifecycleActivity rdl:RDS9648872 ; # PROCESS DESIGN
	meta:valEffectiveDate "2024-05-21T00:00:00Z"^^xsd:dateTime .

####
#### THEN THE INDIVIDUALS (these Individuals must be typed with their declared Class) 
#### (Port individuals are excluded, see NOTE 2 above)
####

ex:ae41b7a1-cc96-45fb-83ed-5872d3799df6
	rdf:type  dm:Activity, dm:NonActualIndividual, ex:c1b2a12e-f346-4751-b35a-77a1d337c8c5 ; # CO-A-1-Bonny
	tpl:temporalPartOf ex:ca1eb5c7-c489-4ea8-bf38-5f6668a42cc8 ; # A-1
	rdf:type ex:a78372aa-7481-45bb-833e-a8a54a15cb7c ; # CASE-2
	rdfs:label "A-1-Bonny" ;
	meta:hasLifecycleActivity rdl:RDS9648872 ; # PROCESS DESIGN
	meta:valEffectiveDate "2024-05-21T00:00:00Z"^^xsd:dateTime .

ex:b225c928-18fe-42d0-ae67-bc3100809a3b
	rdf:type  dm:Stream, dm:NonActualIndividual, ex:d721afbd-1d34-4d98-ba15-66841c19f80f ; # CO-S-2-Bonny
	tpl:temporalPartOf ex:db4342e3-a5d8-4d78-a42a-4cac692a4b71 ; # S-2
	rdfs:label "S-2-Bonny" ;
	meta:hasLifecycleActivity rdl:RDS9648872 ; # PROCESS DESIGN
	meta:valEffectiveDate "2024-05-21T00:00:00Z"^^xsd:dateTime .

ex:e92a2c4d-d503-4171-804a-561b4357d756
	rdf:type  dm:Stream, dm:NonActualIndividual, ex:74879066-c963-4164-b14e-88a332f0c814 ; # CO-S-3-Bonny
	tpl:temporalPartOf ex:49969481-0c9d-43e9-9541-38dca7844d23 ; # S-3
	rdfs:label "S-3-Bonny" ;
	meta:hasLifecycleActivity rdl:RDS9648872 ; # PROCESS DESIGN
	meta:valEffectiveDate "2024-05-21T00:00:00Z"^^xsd:dateTime .

ex:3352278a-63a7-49a2-a06d-8e7cbc66512d
	rdf:type  dm:Stream, dm:NonActualIndividual, ex:709c3f5a-c4cc-4393-b4ae-6c8b522c129f ; # CO-S-4-Bonny
	tpl:temporalPartOf ex:a8230191-82e5-4757-9883-1d31d1e6c6b9 ; # S-4
	rdfs:label "S-4-Bonny" ;
	meta:hasLifecycleActivity rdl:RDS9648872 ; # PROCESS DESIGN
	meta:valEffectiveDate "2024-05-21T00:00:00Z"^^xsd:dateTime .

ex:4540441d-93f9-4ecd-8c28-91d800d863de
	rdf:type  dm:FunctionalObject, dm:NonActualIndividual, ex:ae7c8dcb-8336-4f1f-be4b-3277efb014cf ; # CO-P-1-Bonny
	tpl:temporalPartOf ex:6dc3abdd-55d9-4a04-b1d8-0d67b01c8a82 ; # P-1
	rdfs:label "P-1-Bonny" ;
	meta:hasLifecycleActivity rdl:RDS9648872 ; # PROCESS DESIGN
	meta:valEffectiveDate "2024-05-21T00:00:00Z"^^xsd:dateTime .

#######################################################################################
## TEMPLATES FOR STREAMS AND fUNCTIONAL OBJECTS PARTICIPATING IN (CO-)A-1-Bonny (CASE-2)
#######################################################################################

ex:b16575a7-f0e0-4ec5-b443-084be1fa3163
	rdf:type tpl:ClassOfParticipationDefinition ;
	tpl:hasActivityType ex:c1b2a12e-f346-4751-b35a-77a1d337c8c5  ; # CO-A-1-Bonny
	tpl:hasParticipantType ex:ae7c8dcb-8336-4f1f-be4b-3277efb014cf  ; # CO-P-1-Bonny
	tpl:hasParticipantRole rdl:RDS222365  ; # PERFORMER
	meta:hasLifecycleActivity rdl:RDS9648872 ; # PROCESS DESIGN
	meta:valEffectiveDate "2024-05-21T00:00:00Z"^^xsd:dateTime .

ex:f4fd6a3d-72e6-4660-865b-741703bd86e1
	rdf:type tpl:ParticipationOfPhysicalObjectInActivity ;
	tpl:hasActivity ex:ae41b7a1-cc96-45fb-83ed-5872d3799df6  ; # A-1-Bonny
	tpl:hasParticipant ex:4540441d-93f9-4ecd-8c28-91d800d863de  ; # P-1-Bonny
	tpl:hasParticipantRole rdl:RDS222365  ; # PERFORMER
	meta:hasLifecycleActivity rdl:RDS9648872 ; # PROCESS DESIGN
	meta:valEffectiveDate "2024-05-21T00:00:00Z"^^xsd:dateTime .

ex:b4917140-1353-4614-be34-14d602c31e8a
	rdf:type tpl:ClassOfParticipationDefinition ;
	tpl:hasActivityType ex:c1b2a12e-f346-4751-b35a-77a1d337c8c5  ; # CO-A-1-Bonny
	tpl:hasParticipantType ex:d721afbd-1d34-4d98-ba15-66841c19f80f  ; # CO-S-2-Bonny
	tpl:hasParticipantRole rdl:RDS13652785  ; # INPUT 
	meta:hasLifecycleActivity rdl:RDS9648872 ; # PROCESS DESIGN
	meta:valEffectiveDate "2024-05-21T00:00:00Z"^^xsd:dateTime .

ex:1863dc10-b7b1-4064-b976-4c79a485456f
	rdf:type tpl:ParticipationOfPhysicalObjectInActivity ;
	tpl:hasActivity ex:ae41b7a1-cc96-45fb-83ed-5872d3799df6  ; # A-1-Bonny
	tpl:hasParticipant ex:b225c928-18fe-42d0-ae67-bc3100809a3b  ; # S-2-Bonny
	tpl:hasParticipantRole rdl:RDS13652785  ; # INPUT 
	meta:hasLifecycleActivity rdl:RDS9648872 ; # PROCESS DESIGN
	meta:valEffectiveDate "2024-05-21T00:00:00Z"^^xsd:dateTime .

ex:bca6a63c-dae6-444e-bfb0-efeca64e1fc5
	rdf:type tpl:ClassOfParticipationDefinition ;
	tpl:hasActivityType ex:c1b2a12e-f346-4751-b35a-77a1d337c8c5  ; # CO-A-1-Bonny
	tpl:hasParticipantType ex:74879066-c963-4164-b14e-88a332f0c814  ; #  CO-S-3-Bonny
	tpl:hasParticipantRole rdl:RDS13652847  ; # OUTPUT
	meta:hasLifecycleActivity rdl:RDS9648872 ; # PROCESS DESIGN
	meta:valEffectiveDate "2024-05-21T00:00:00Z"^^xsd:dateTime .

ex:5be479cc-99f9-4720-b6b1-56b01579aa3f
	rdf:type tpl:ParticipationOfPhysicalObjectInActivity ;
	tpl:hasActivity ex:ae41b7a1-cc96-45fb-83ed-5872d3799df6  ; # A-1-Bonny
	tpl:hasParticipant ex:e92a2c4d-d503-4171-804a-561b4357d756  ; # S-3-Bonny
	tpl:hasParticipantRole rdl:RDS13652847  ; # OUTPUT
	meta:hasLifecycleActivity rdl:RDS9648872 ; # PROCESS DESIGN
	meta:valEffectiveDate "2024-05-21T00:00:00Z"^^xsd:dateTime .

ex:2690e2fc-df49-46ea-bf8d-2e731c6103c3
	rdf:type tpl:ClassOfParticipationDefinition ;
	tpl:hasActivityType ex:97667fae-8954-4bd6-a76c-5e2a312b24a0  ; # CO-A-1-Brent
	tpl:hasParticipantType ex:709c3f5a-c4cc-4393-b4ae-6c8b522c129f  ; #  CO-S-4-Bonny
	tpl:hasParticipantRole rdl:RDS13652785  ; # INPUT 
	meta:hasLifecycleActivity rdl:RDS9648872 ; # PROCESS DESIGN
	meta:valEffectiveDate "2024-05-21T00:00:00Z"^^xsd:dateTime .

ex:151c357a-06e5-440b-b5ad-fbe83aac2684
	rdf:type tpl:ParticipationOfPhysicalObjectInActivity ;
	tpl:hasActivity ex:ae41b7a1-cc96-45fb-83ed-5872d3799df6  ; # A-1-Bonny
	tpl:hasParticipant ex:3352278a-63a7-49a2-a06d-8e7cbc66512d  ; # S-4-Bonny
	tpl:hasParticipantRole rdl:RDS13652785  ; # INPUT 
	meta:hasLifecycleActivity rdl:RDS9648872 ; # PROCESS DESIGN
	meta:valEffectiveDate "2024-05-21T00:00:00Z"^^xsd:dateTime .

######################################################################
## ATTRIBUTION OF PROPERTIES (Bonny Light) FROM HEAT & MATERIAL BALANCE
######################################################################
API Gravity CO-S-1-Bonny 33.4
Inlet Temperature CO-S-1-Bonny 25°C
Density CO-S-1-Bonny 0.857 g/cm³
Specific Heat Capacity CO-S-1-Bonny 2.1 kJ/kg°C
Mass Flow Rate CO-S-3-Bonny 100,000 kg/hr
Volumetric Flow Rate CO-S-3-Bonny 116.7 m³/hr
Outlet Temperature CO-S-3-Bonny 60°C
Viscosity at 60°C CO-S-3-Bonny 200 cP
External Heat Required CO-S-4-Bonny 7,350,000 kJ/hr
Hydraulic Power Required CO-S-4-Bonny 22.65 kW
Total Power Input CO-S-4-Bonny 37.75 kW
Pump Efficiency CO-P-1-Bonny 60%
Heat Generated by Pump CO-P-1-Bonny 15.1 kW
ex:c72c9bdf-3cd6-40a6-8175-0353a3016924 rdf:type tpl:ClassOfIndividualHasPropertyWithValue ; tpl:hasPossessorType ex:d721afbd-1d34-4d98-ba15-66841c19f80f ; # CO-S-2-Bonny tpl:hasPropertyType rdl:RDS1355105431 ; # API GRAVITY tpl:valPropertyValue "33.4"^^xsd:decimal ; tpl:hasScale rdl:RDS1059740901 ; # DIMENSIONLESS SCALE meta:hasLifecycleActivity rdl:RDS9648872 ; # PROCESS DESIGN meta:valEffectiveDate "2024-05-21T00:00:00Z"^^xsd:dateTime . ex:e889147b-a331-4982-9bca-04a5281278d3 rdf:type tpl:PropertyOfClassOfStreamAtClassOfLocation ; tpl:hasStreamType ex:29b4329a-3340-4139-893e-247bccf8fe95 ; # CO-S-2-Bonny tpl:hasLocatorType ex:79bb1638-ecfe-43fb-a096-d4fbbb6f8635 ; # CO-P-1-N-1 tpl:hasPropertyType rdl:RDS355859 ; # TEMPERATURE (of Stream at pump inlet) tpl:valPropertyValue "25"^^xsd:decimal ; tpl:hasScale rdl:RDS1322684 ; # DEGREE CELSIUS meta:hasLifecycleActivity rdl:RDS9648872 ; # PROCESS DESIGN meta:valEffectiveDate "2024-05-21T00:00:00Z"^^xsd:dateTime . ex:c7288dfb-96a7-4ed2-a075-a27900123b04 rdf:type tpl:ClassOfIndividualHasPropertyWithValue ; tpl:hasPossessorType ex:d721afbd-1d34-4d98-ba15-66841c19f80f ; # CO-S-2-Bonny tpl:hasPropertyType rdl:RDS369404 ; # DENSITY AT FLOW CONDITIONS tpl:valPropertyValue "0.857"^^xsd:decimal ; tpl:hasScale rdl:RDS1325924 ; # GRAM PER CENTIMETRE CUBED meta:hasLifecycleActivity rdl:RDS9648872 ; # PROCESS DESIGN meta:valEffectiveDate "2024-05-21T00:00:00Z"^^xsd:dateTime . ex:d4abd53a-1ae5-4b9b-9378-f42f9dab130f rdf:type tpl:ClassOfIndividualHasPropertyWithValue ; tpl:hasPossessorType ex:d721afbd-1d34-4d98-ba15-66841c19f80f ; # CO-S-2-Bonny tpl:hasPropertyType rdl:RDS382229 ; # SPECIFIC HEAT CAPACITY tpl:valPropertyValue "2.1"^^xsd:decimal ; tpl:hasScale rdl:RDS14153033 ; # KILOJOULE PER KILOGRAM CELSIUS meta:hasLifecycleActivity rdl:RDS9648872 ; # PROCESS DESIGN meta:valEffectiveDate "2024-05-21T00:00:00Z"^^xsd:dateTime . ex:ffbb02da-8aed-4845-8723-e117e18c181b rdf:type tpl:ClassOfIndividualHasPropertyWithValue ; tpl:hasPossessorType ex:74879066-c963-4164-b14e-88a332f0c814 ; # CO-S-3-Bonny tpl:hasPropertyType rdl:RDS380789 ; # MASS FLOW RATE tpl:valPropertyValue "100,000"^^xsd:decimal ; tpl:hasScale rdl:RDS1329344 ; # KILOGRAM PER HOUR meta:hasLifecycleActivity rdl:RDS9648872 ; # PROCESS DESIGN meta:valEffectiveDate "2024-05-21T00:00:00Z"^^xsd:dateTime . ex:22a8ed76-a71f-4fd5-9086-af218af3ddce rdf:type tpl:ClassOfIndividualHasIndirectPropertyWithValue ; tpl:hasPossessorType ex:74879066-c963-4164-b14e-88a332f0c814 ; # CO-S-3-Bonny tpl:hasIndirectPropertyType rdl:RDS8276279 ; # NORMAL VOLUMETRIC FLOW RATE tpl:valPropertyValue "116.7"^^xsd:decimal ; tpl:hasScale rdl:RDS1321064 ; # METRE CUBED PER HOUR meta:hasLifecycleActivity rdl:RDS9648872 ; # PROCESS DESIGN meta:valEffectiveDate "2024-05-21T00:00:00Z"^^xsd:dateTime . ex:913e2831-3391-4147-a701-d2e89de137d9 rdf:type tpl:PropertyOfClassOfStreamAtClassOfLocation ; tpl:hasStreamType ex:74879066-c963-4164-b14e-88a332f0c814 ; # CO-S-3-Bonny tpl:hasLocatorType ex:d6819aa7-a99e-46d6-b1c5-ff7ce10ef023 ; # CO-P-1-N-3 tpl:hasPropertyType rdl:RDS355859 ; # TEMPERATURE (of Stream at pump outlet) tpl:valPropertyValue "60"^^xsd:decimal ; tpl:hasScale rdl:RDS1322684 ; # DEGREE CELSIUS meta:hasLifecycleActivity rdl:RDS9648872 ; # PROCESS DESIGN meta:valEffectiveDate "2024-05-21T00:00:00Z"^^xsd:dateTime . ex:efc041a2-78c0-4e69-a587-ffb8b75ccdf0 rdf:type tpl:ClassOfIndividualHasPropertyWithValue ; tpl:hasPossessorType ex:74879066-c963-4164-b14e-88a332f0c814 ; # CO-S-3-Bonny tpl:hasPropertyType rdl:RDS222xxxx ; # VISCOSITY AT 60C tpl:valPropertyValue "200"^^xsd:decimal ; tpl:hasScale rdl:RDS1318274 ; # CENTIPOISE meta:hasLifecycleActivity rdl:RDS9648872 ; # PROCESS DESIGN meta:valEffectiveDate "2024-05-21T00:00:00Z"^^xsd:dateTime . ex:4d5a8595-52e7-4b42-be89-81b868f0553e rdf:type tpl:ClassOfIndividualHasPropertyWithValue ; tpl:hasPossessorType ex:709c3f5a-c4cc-4393-b4ae-6c8b522c129f ; # CO-S-4-Bonny tpl:hasIndirectPropertyType rdl:RDS362789 ; # HEAT RATE tpl:valPropertyValue "7,350,000"^^xsd:decimal ; tpl:hasScale rdl:RDS4316756697 ; # KILOJOULE PER HOUR meta:hasLifecycleActivity rdl:RDS9648872 ; # PROCESS DESIGN meta:valEffectiveDate "2024-05-21T00:00:00Z"^^xsd:dateTime . ex:1a08d62b-6b36-4d86-a32d-ebb2443a665f rdf:type tpl:ClassOfIndividualHasIndirectPropertyWithValue ; tpl:hasPossessorType ex:709c3f5a-c4cc-4393-b4ae-6c8b522c129f ; # CO-S-4-Bonny tpl:hasIndirectPropertyType rdl:RDS413189 ; # RATED HYDRAULIC POWER tpl:valPropertyValue "22.65"^^xsd:decimal ; tpl:hasScale rdl:RDS1330919 ; # KILOWATT meta:hasLifecycleActivity rdl:RDS9648872 ; # PROCESS DESIGN meta:valEffectiveDate "2024-05-21T00:00:00Z"^^xsd:dateTime . ex:475ff390-5bec-4096-a7a2-8228e4f0ddb7 rdf:type tpl:ClassOfIndividualHasPropertyWithValue ; tpl:hasPossessorType ex:709c3f5a-c4cc-4393-b4ae-6c8b522c129f ; # CO-S-4-Bonny tpl:hasPropertyType rdl:RDS7924042 ; # BRAKE HORSEPOWER tpl:valPropertyValue "37.75"^^xsd:decimal ; tpl:hasScale rdl:RDS1330919 ; # KILOWATT meta:hasLifecycleActivity rdl:RDS9648872 ; # PROCESS DESIGN meta:valEffectiveDate "2024-05-21T00:00:00Z"^^xsd:dateTime . ex:7581141c-83fb-4256-a236-d57afc11e360 rdf:type tpl:ClassOfIndividualHasPropertyWithValue ; tpl:hasPossessorType ex:ae7c8dcb-8336-4f1f-be4b-3277efb014cf ; # CO-P-1-Bonny tpl:hasPropertyType rdl:RDS5963820 ; # RATED EFFICIENCY AT 1/1 LOAD tpl:valPropertyValue "60"^^xsd:decimal ; tpl:hasScale rdl:RDS1317959 ; # PERCENT meta:hasLifecycleActivity rdl:RDS9648872 ; # PROCESS DESIGN meta:valEffectiveDate "2024-05-21T00:00:00Z"^^xsd:dateTime . ex:f881c030-a487-4c12-9c3a-b3617625e22a rdf:type tpl:ClassOfIndividualHasPropertyWithValue ; tpl:hasPossessorType ex:ae7c8dcb-8336-4f1f-be4b-3277efb014cf ; # CO-P-1-Bonny tpl:hasPropertyType rdl:RDS403964 ; # GENERATED HEAT tpl:valPropertyValue "15.1"^^xsd:decimal ; tpl:hasScale rdl:RDS1330919 ; # KILOWATT meta:hasLifecycleActivity rdl:RDS9648872 ; # PROCESS DESIGN meta:valEffectiveDate "2024-05-21T00:00:00Z"^^xsd:dateTime .

Ontology

The above code presumably has been based on the following ontology, represented by PLM Nodes [3], [13], and [23].

@prefix uo: <http://unit-operations.org/> .
@prefix xsd: <http://www.w3.org/2001/XMLSchema#> .
@prefix rdf: <http://www.w3.org/1999/02/22-rdf-syntax-ns#> .
@prefix rdfs: <http://www.w3.org/2000/01/rdf-schema#> .
@prefix dm: <http://data.15926.org/dm/> .
@prefix meta: <http://data.15926.org/meta/> .
@prefix tpl: <http://data.15926.org/tpl/> .
@prefix rdl: <http://data.15926.org/rdl/> .

################################
## ONTOLOGY FOR CRUDE OIL PUMP
################################

################
## DECLARATIONS
################

uo:PLM-03
	rdf:type  dm:ClassOfActivity ;
	rdfs:subClassOf rdl:RDS9657917 ; # PUMPING
	rdfs:label  "Pumping Crude Oil requirements" ;
	meta:hasLifecycleActivity rdl:RDS9648872 ; # PROCESS DESIGN
	meta:valEffectiveDate ""^^xsd:dateTime .

uo:PLM-13-IN
	rdf:type  dm:ClassOfStream ;
	rdfs:subClassOf rdl:RDS2227031   ; # LIQUID STREAM
	rdfs:label  "Pump inlet stream requirements" ;
	meta:hasLifecycleActivity rdl:RDS9648872 ; # PROCESS DESIGN
	meta:valEffectiveDate ""^^xsd:dateTime .

uo:PLM-13-OUT
	rdf:type  dm:ClassOfStream ;
	rdfs:subClassOf rdl:RDS2227031   ; # LIQUID STREAM
	rdfs:label  "Pump outlet stream requirements" ;
	meta:hasLifecycleActivity rdl:RDS9648872 ; # PROCESS DESIGN
	meta:valEffectiveDate ""^^xsd:dateTime .

uo:PLM-13-EN-IN
	rdf:type  dm:ClassOfStream ;
	rdfs:subClassOf rdl:RDS2225664 ; # ENERGY STREAM
	rdfs:label  "Pump energy inlet stream requirements" ;
	meta:hasLifecycleActivity rdl:RDS9648872 ; # PROCESS DESIGN
	meta:valEffectiveDate ""^^xsd:dateTime .

uo:PLM-23
	rdf:type  dm:ClassOfFunctionalObject ;
	rdfs:subClassOf rdl:RDS327239   ; # PUMP
	rdfs:label  "Crude Oil Pump requirements" ;
	meta:hasLifecycleActivity rdl:RDS9648872 ; # PROCESS DESIGN
	meta:valEffectiveDate ""^^xsd:dateTime .

uo:PLM-23-IN
	rdf:type  dm:ClassOfFunctionalObject ;
	rdfs:subClassOf rdl:RDS2195131601    ; # LIQUID INLET PORT
	rdfs:label  "Pump liquid inlet port requirements" ;
	meta:hasLifecycleActivity rdl:RDS9648872 ; # PROCESS DESIGN
	meta:valEffectiveDate ""^^xsd:dateTime .

uo:PLM-23-OUT
	rdf:type  dm:ClassOfFunctionalObject ;
	rdfs:subClassOf rdl:RDS2195143051  ; # LIQUID OUTLET PORT
	rdfs:label  "Pump liquid outlet port requirements" ;
	meta:hasLifecycleActivity rdl:RDS9648872 ; # PROCESS DESIGN
	meta:valEffectiveDate ""^^xsd:dateTime .

uo:PLM-23-EN-IN
	rdf:type  dm:ClassOfFunctionalObject ;
	rdfs:subClassOf rdl:RDS2223702 ; # ENERGY INLET PORT
	rdfs:label  "Pump energy inlet port requirements" ;
	meta:hasLifecycleActivity rdl:RDS9648872 ; # PROCESS DESIGN
	meta:valEffectiveDate ""^^xsd:dateTime .

##############################################################################################
## TEMPLATES FOR STREAMS CLASSES AND FUNCTIONAL OBJECTS CLASSES PARTICIPATING IN ACTIVITY CLASS 
##############################################################################################

uo:T-01
	rdf:type tpl:ClassOfParticipationDefinition ;
	tpl:hasActivityType uo:PLM-03 ; # ClassOfStream 'Pumping Crude Oil  requirements'
	tpl:hasParticipantType uo:PLM-23  ; # ClassOfFunctionalObject 'Crude Oil Pump Requirements'
	tpl:hasParticipantRole rdl:RDS222365  ; # PERFORMER
	meta:hasLifecycleActivity rdl:RDS9648872 ; # PROCESS DESIGN
	meta:valEffectiveDate ""^^xsd:dateTime .

uo:T-02
	rdf:type tpl:ClassOfParticipationDefinition ;
	tpl:hasActivityType uo:PLM-03 ; # ClassOfStream 'Pumping Crude Oil requirements'
	tpl:hasParticipantType uo:PLM-13-IN  ; # Pump inlet stream requirements
	tpl:hasParticipantRole rdl:RDS13652785  ; # INPUT 
	meta:hasLifecycleActivity rdl:RDS9648872 ; # PROCESS DESIGN
	meta:valEffectiveDate ""^^xsd:dateTime .

uo:T-03
	rdf:type tpl:ClassOfParticipationDefinition ;
	tpl:hasActivityType uo:PLM-03 ; # ClassOfStream 'Pumping Crude Oil requirements'
	tpl:hasParticipantType uo:PLM-13-OUT  ; # Pump outlet stream requirements
	tpl:hasParticipantRole rdl:RDS13652847  ; # OUTPUT
	meta:hasLifecycleActivity rdl:RDS9648872 ; # PROCESS DESIGN
	meta:valEffectiveDate ""^^xsd:dateTime .

uo:T-04
	rdf:type tpl:ClassOfParticipationDefinition ;
	tpl:hasActivityType uo:PLM-03 ; # ClassOfStream 'Pumping Crude Oil requirements'
	tpl:hasParticipantType uo:PLM-13-EN-IN  ; # Pump energy inlet stream requirements
	tpl:hasParticipantRole rdl:RDS13652785  ; # INPUT 
	meta:hasLifecycleActivity rdl:RDS9648872 ; # PROCESS DESIGN
	meta:valEffectiveDate ""^^xsd:dateTime .

##########################################################
## ATTRIBUTION OF PROPERTIES FROM HEAT & MATERIAL BALANCE
##########################################################

uo:T-11
	rdf:type tpl:ClassOfIndividualHasPropertyWithValue ;
	tpl:hasPossessorType uo:PLM-13-IN  ; # ClassOfStream LIQUID STREAM at PLM Node 13 at PUMP InletPort
	tpl:valPropertyValue ""^^xsd:decimal ;
	tpl:hasScale rdl:RDS1059740901 ; # DIMENSIONLESS SCALE
	meta:hasLifecycleActivity rdl:RDS9648872 ; # PROCESS DESIGN
	meta:valEffectiveDate ""^^xsd:dateTime .

uo:T-12
	rdf:type tpl:PropertyOfClassOfStreamAtClassOfLocation ;
	tpl:hasPossessorType uo:PLM-13-IN  ; # ClassOfStream LIQUID STREAM at PLM Node 13 at PUMP InletPort
	tpl:hasLocatorType uo:PLM-23  ; # ClassOfFunctionalObject-InletPort at PLM Node 23
	tpl:hasPropertyType rdl:RDS355859 ; # TEMPERATURE (of Stream at pump inlet)
	tpl:valPropertyValue ""^^xsd:decimal ;
	tpl:hasScale rdl:RDS1322684 ; # DEGREE CELSIUS
	meta:hasLifecycleActivity rdl:RDS9648872 ; # PROCESS DESIGN
	meta:valEffectiveDate ""^^xsd:dateTime .

uo:T-13
	rdf:type tpl:ClassOfIndividualHasPropertyWithValue ;
	tpl:hasPossessorType uo:PLM-13-IN  ; # ClassOfStream LIQUID STREAM at PLM Node 13 at PUMP InletPort
	tpl:hasPropertyType rdl:RDS369404 ; # DENSITY AT FLOW CONDITIONS
	tpl:valPropertyValue ""^^xsd:decimal ;
	tpl:hasScale rdl:RDS1325924 ; # GRAM PER CENTIMETRE CUBED
	meta:hasLifecycleActivity rdl:RDS9648872 ; # PROCESS DESIGN
	meta:valEffectiveDate ""^^xsd:dateTime .

uo:T-14
	rdf:type tpl:ClassOfIndividualHasPropertyWithValue ;
	tpl:hasPossessorType uo:PLM-13-IN  ; # ClassOfStream LIQUID STREAM at PLM Node 13 at PUMP InletPort
	tpl:hasPropertyType rdl:RDS382229 ; # SPECIFIC HEAT CAPACITY
	tpl:valPropertyValue ""^^xsd:decimal ;
	tpl:hasScale rdl:RDS14153033  ; # KILOJOULE PER KILOGRAM CELSIUS
	meta:hasLifecycleActivity rdl:RDS9648872 ; # PROCESS DESIGN
	meta:valEffectiveDate ""^^xsd:dateTime .

uo:T-15
	rdf:type tpl:ClassOfIndividualHasPropertyWithValue ;
	tpl:hasPossessorType uo:PLM-13-OUT  ; # ClassOfStream LIQUID STREAM at PLM Node 13 at PUMP OutletPort
	tpl:hasPropertyType rdl:RDS380789 ; # MASS FLOW RATE
	tpl:valPropertyValue ""^^xsd:decimal ;
	tpl:hasScale rdl:RDS1329344 ; # KILOGRAM PER HOUR
	meta:hasLifecycleActivity rdl:RDS9648872 ; # PROCESS DESIGN
	meta:valEffectiveDate ""^^xsd:dateTime .

uo:T-16
	rdf:type tpl:ClassOfIndividualHasIndirectPropertyWithValue ;
	tpl:hasPossessorType uo:PLM-13-OUT ; # ClassOfStream LIQUID STREAM at PLM Node 13 at PUMP OutletPort
	tpl:hasIndirectPropertyType rdl:RDS8276279 ; # NORMAL VOLUMETRIC FLOW RATE
	tpl:valPropertyValue ""^^xsd:decimal ;
	tpl:hasScale rdl:RDS1321064 ; # METRE CUBED PER HOUR
	meta:hasLifecycleActivity rdl:RDS9648872 ; # PROCESS DESIGN
	meta:valEffectiveDate ""^^xsd:dateTime .

uo:T-17
	rdf:type tpl:PropertyOfClassOfStreamAtClassOfLocation ;
	tpl:hasPossessorType uo:PLM-13-OUT  ; # ClassOfStream LIQUID STREAM at PLM Node 13 at PUMP OutletPort
	tpl:hasLocatorType uo:PLM-23  ; # ClassOfFunctionalObject-OutletPort at PLM Node 23
	tpl:hasPropertyType rdl:RDS355859 ; # TEMPERATURE (of Stream at pump outlet)
	tpl:valPropertyValue ""^^xsd:decimal ;
	tpl:hasScale rdl:RDS1322684 ; # DEGREE CELSIUS
	meta:hasLifecycleActivity rdl:RDS9648872 ; # PROCESS DESIGN
	meta:valEffectiveDate ""^^xsd:dateTime .

uo:T-18
	rdf:type tpl:ClassOfIndividualHasPropertyWithValue ;
	tpl:hasPossessorType uo:PLM-13-OUT  ; # ClassOfStream LIQUID STREAM at PLM Node 13 at PUMP OutletPort
	tpl:hasPropertyType rdl:RDS222xxxx ; # VISCOSITY AT 60C
	tpl:valPropertyValue ""^^xsd:decimal ;
	tpl:hasScale rdl:RDS1318274 ; # CENTIPOISE
	meta:hasLifecycleActivity rdl:RDS9648872 ; # PROCESS DESIGN
	meta:valEffectiveDate ""^^xsd:dateTime .

uo:T-19
	rdf:type tpl:PropertyOfClassOfStreamAtClassOfLocation ;
	tpl:hasPossessorType uo:PLM-13-EN-IN  ; # ClassOfStream ENERGY STREAM at PLM Node 13 at EnergyInletPort
	tpl:hasLocatorType uo:PLM-23-EN-IN  ; # ClassOfFunctionalObject-EnergyInletPort at PLM Node 23
	tpl:hasIndirectPropertyType rdl:RDS362789 ; # HEAT RATE
	tpl:valPropertyValue ""^^xsd:decimal ;
	tpl:hasScale rdl:RDS4316756697 ; # KILOJOULE PER HOUR
	meta:hasLifecycleActivity rdl:RDS9648872 ; # PROCESS DESIGN
	meta:valEffectiveDate ""^^xsd:dateTime .

uo:T-20
	rdf:type tpl:ClassOfIndividualHasIndirectPropertyWithValue ;
	tpl:hasPossessorType uo:PLM-13-EN  ; # ClassOfStream ENERGY STREAM at PLM Node 13 at EnergyInletPort
	tpl:hasIndirectPropertyType rdl:RDS413189 ; # RATED HYDRAULIC POWER
	tpl:valPropertyValue ""^^xsd:decimal ;
	tpl:hasScale rdl:RDS1330919 ; # KILOWATT
	meta:hasLifecycleActivity rdl:RDS9648872 ; # PROCESS DESIGN
	meta:valEffectiveDate ""^^xsd:dateTime .

uo:T-21
	rdf:type tpl:PropertyOfClassOfStreamAtClassOfLocation ;
	tpl:hasPossessorType uo:PLM-13-EN-IN  ; # ClassOfStream ENERGY STREAM at PLM Node 13 at EnergyInletPort
	tpl:hasLocatorType uo:PLM-23-EN-IN  ; # ClassOfFunctionalObject-EnergyInletPort at PLM Node 23
	tpl:hasPropertyType rdl:RDS7924042 ; # BRAKE HORSEPOWER
	tpl:valPropertyValue ""^^xsd:decimal ;
	tpl:hasScale rdl:RDS1330919 ; # KILOWATT
	meta:hasLifecycleActivity rdl:RDS9648872 ; # PROCESS DESIGN
	meta:valEffectiveDate ""^^xsd:dateTime .

uo:T-22
	rdf:type tpl:ClassOfIndividualHasPropertyWithValue ;
	tpl:hasPossessorType uo:PLM-23  ; # ClassOfFunctionalObject PUMP at PLM Node 23
	tpl:hasPropertyType rdl:RDS5963820 ; # RATED EFFICIENCY AT 1/1 LOAD
	tpl:valPropertyValue ""^^xsd:decimal ;
	tpl:hasScale rdl:RDS1317959 ; # PERCENT
	meta:hasLifecycleActivity rdl:RDS9648872 ; # PROCESS DESIGN
	meta:valEffectiveDate ""^^xsd:dateTime .

uo:T-23
	rdf:type tpl:ClassOfIndividualHasPropertyWithValue ;
	tpl:hasPossessorType uo:PLM-23  ; # ClassOfFunctionalObject PUMP at PLM Node 23
	tpl:hasPropertyType rdl:RDS403964  ; # GENERATED HEAT
	tpl:valPropertyValue ""^^xsd:decimal ;
	tpl:hasScale rdl:RDS1330919 ; # KILOWATT
	meta:hasLifecycleActivity rdl:RDS9648872 ; # PROCESS DESIGN
	meta:valEffectiveDate ""^^xsd:dateTime .

Epilog

It may be clear that this Process Design part of the PLM requires some serious software development. When you collect ontologies like the above, populating them will become a repetitive excercise.

.